

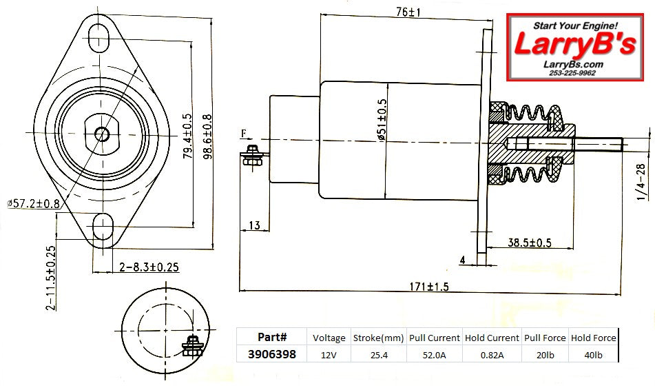
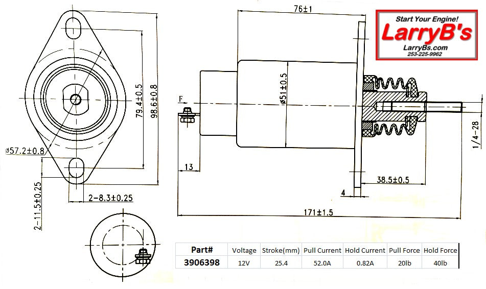
Syncro-Start replacement solenoid SA-4775-A, 3906398. Internally switched dual coils with Single Wire hookup.
This solenoid has two coils. It also has an internal switch that disconnects the stronger coil once the solenoid is engaged. This allows a single wire setup using a mechanical double contact switch that is mounted on the rear of the solenoid to turn off the pull coil. Grounding is through the solenoid body, Internally switched solenoids are best suited for applications such as standby generator sets or other applications where vibration, dirt, moisture, and excessive cycling are not present.
In the installation of “internally switched” dual coil solenoids, it is critical that the solenoid
plunger be allowed to travel to its fully engaged position to insure that the plunger will
automatically open the internal switch and disconnect the high current pull-in coil, eliminating
the chance of coil burnout. Improper linkage adjustment will cause coil burnout within 2 minutes. Please followinstructions carefully. Solenoids that burn out due to improper adjustment are not covered by warranty.
This Price includes LarryB's Customer Service, 253-225-9962