


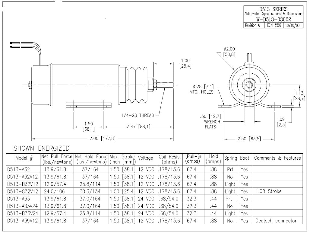
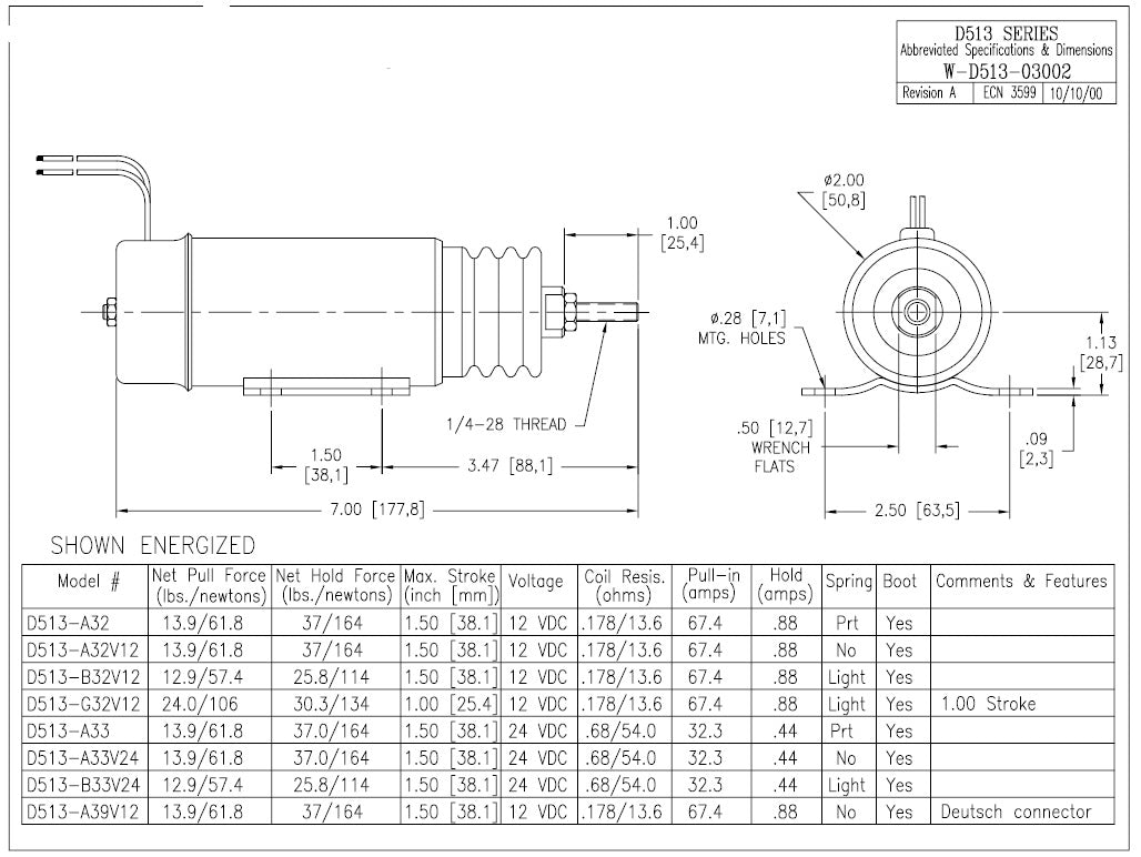
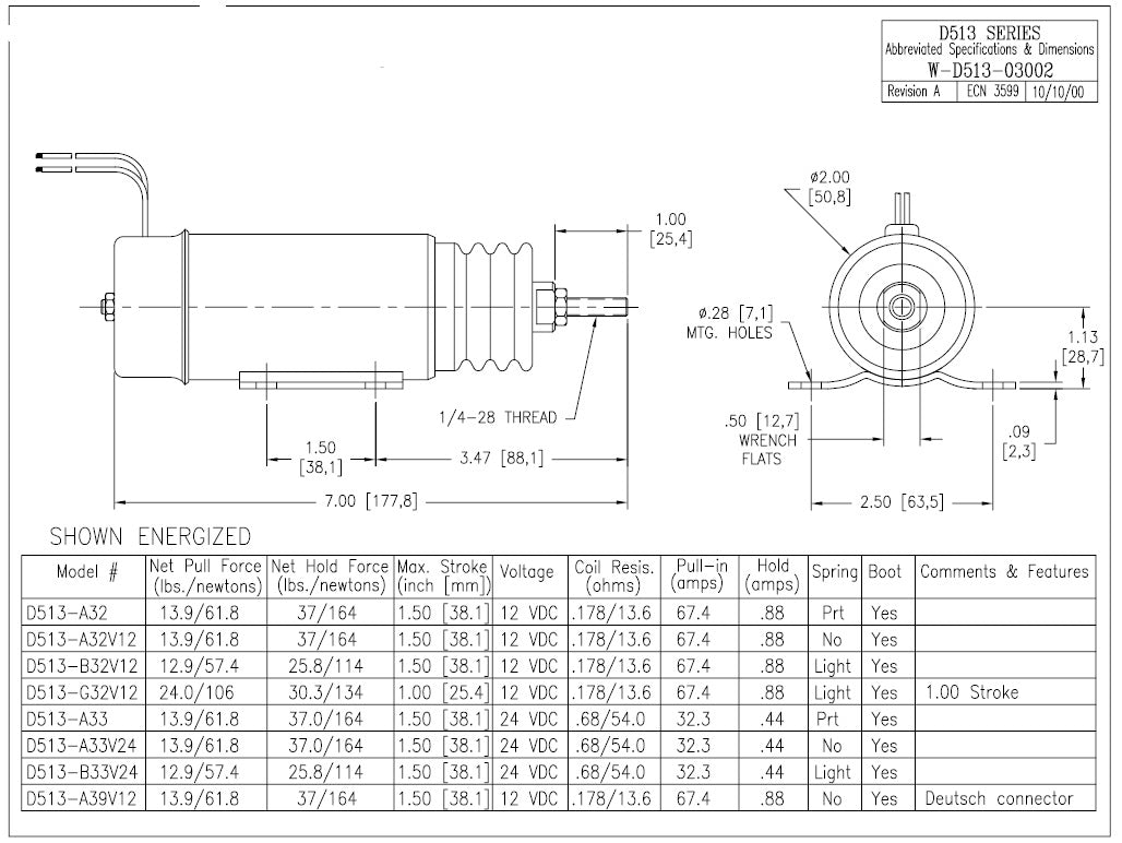
LarryB's Trombetta replacement solenoid D513-A32V12, 2001-12E2U1. Internally switched, two wires only.
This solenoid has two coils. It also has an internal switch that disconnects the stronger coil once the solenoid is engaged. This allows a two wire setup using a mechanical double contact switch that is mounted on the rear of the solenoid to turn off the pull coil. Internally switched solenoids are best suited for applications such as standby generator sets or other applications where vibration, dirt, moisture, and excessive cycling are not present.
In the installation of “internally switched” dual coil solenoids, it is critical that the solenoid
plunger be allowed to travel to its fully engaged position to insure that the plunger will
automatically open the internal switch and disconnect the high current pull-in coil, eliminating
the chance of coil burnout. Improper linkage adjustment will cause coil burnout within 2 minutes. Please followinstructions carefully. Solenoids that burn out due to improper adjustment are not covered by warranty.
Rod threads are 1/4" x 28